您现在所在的位置: > 首页  >项目业绩  >
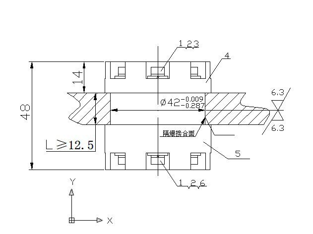
JD7/220φ42
点击数:2324次 添加时间:2014/8/4 [打印] [返回] [收藏]
 

 

 

Copyright @ 2010-2025 江苏新力科技实业有限公司 版权所有 企业邮箱
机:0510-87808866 87809966   手 机:13606151999  销售热线:0510-  87812066  87816566